Chiama Me
Domestico:+86-18169817259
Oversea:+86-13790081902
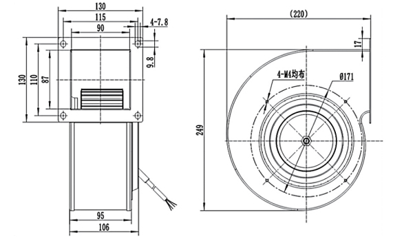
Materiale: girante in lamiera zincata, alloggiamento scroll in lamiera di acciaio laminata a freddo
Cuscinetto: cuscinetto a sfere
Controllo della velocità: ingresso controllo 0-5/10V o PWM
Temperatura di lavoro: -25 ~ 60 °C
Classe di isolamento: B
Classe di protezione: IP44

Prestazioni:

Punto di lavoro | Pressione statica (Pa) | Flusso d'aria (m3/H) | Velocità (r/min) | Potenza (W) |
1 | 120 | 550 | 2050 | 120 |
2 | 240 | 480 | 2260 | 121 |
3 | 400 | 400 | 2455 | 122 |
Modello di ventaglio | Tipo di motore | Tensione | Potenza | Corrente | Velocità | Flusso d'aria | Rumore |
(V) | (W) | (A) | (R/min) | (M3/H) | Lp:dB(A) | ||
DG160B-D092A6-** | DM092A | DC24 | 120 | 5.5 | 1800 | 620 | 65 |
DG160B-D092A8-** | DC48 | 105 | 2.95 | 1800 | 620 | 65 | |
DG160B-D092A0-** | DC310 | 130 | 0.87 | 1800 | 620 | 65 |
Collegamenti rapidi