Chiama Me
Domestico:+86-18169817259
Oversea:+86-13790081902

Curva delle prestazioni della ventola:

| Modello | EC950-32KW | |
| Fase | 3 | |
| Tensione | 380-480 | VAC |
| Frequenza | 50/60 | Hz |
| Velocità | 950 + 5% | RPM |
| Potenza | 3200 + 10% | W |
| Corrente | 7.0 10% | A |
| Pressione statica | 130 | Pa |
| Flusso d'aria | 29000 + 10% | M3/h |
| Rumore | ≤ 80 + 1.5 | DBA |
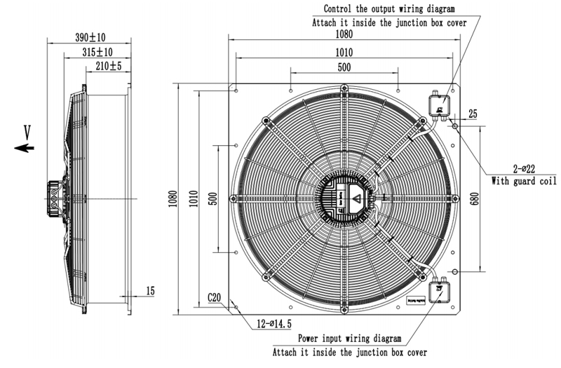
| Livello di protezione | IP55 |
Collegamenti rapidi