Oversea:+86-13790081902
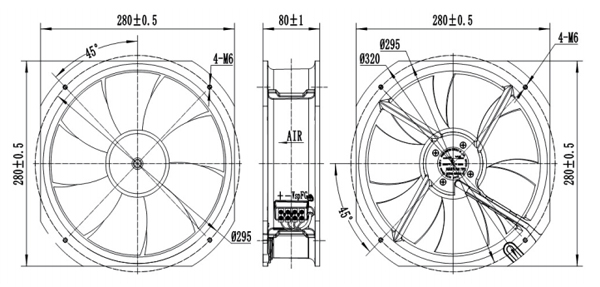
Materiale: girante in lamiera fredda con rivestimento elettrico, 9 pale del ventilatore, il telaio in lega di alluminio
Cuscinetto: cuscinetto a sfere
Controllo della velocità: ingresso controllo 0 ~ 10V/PWM
Temperatura di lavoro: -25 ~ 55 °C
Classe di isolamento: B
Classe di protezione: IP44
中文
English
한국어
français
Deutsch
Español
italiano
русский
português
العربية
Türkçe
Polska

