Chiama Me
Domestico:+86-18169817259
Oversea:+86-13790081902
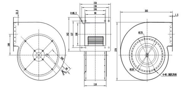
Materiale: girante in PP, alloggiamento scroll in lamiera d'acciaio laminata a freddo
Cuscinetto: cuscinetto a sfere
Controllo della velocità: ingresso controllo 0-5/10V o PWM
Temperatura di lavoro: -25 ~ 60 °C
Classe di isolamento: B
Classe di protezione: IP44
Approvazioni: CCC, CE

Prestazioni:

Punto di lavoro | Pressione statica (Pa) | Flusso d'aria (m3/H) | Velocità (r/min) | Potenza (W) |
1 | 110 | 630 | 1380 | 116 |
2 | 230 | 550 | 1550 | 115 |
3 | 350 | 450 | 1800 | 118 |
Parametro: (può essere personalizzato)
Modello di ventaglio | Tipo di motore | Tensione | Potenza | Corrente | Velocità | Flusso d'aria | Rumore |
(V) | (W) | (A) | (R/min) | (M3/H) | Lp:dB(A) | ||
DG180A-D092A8-** | DM092 | DC48V | 120 | 2.25 | 1200 | 720 | 63 |
DG180A-D092A0-** | DC310 | 120 | 0.56 | 1200 | 720 | 63 |
Collegamenti rapidi